top of page

DataVICE

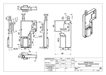
Na primeira etapa, desenvolvi a ideia de um aparelho semelhante a um celular antigo, capaz de ler, interpretar, gravar e enviar dados via cartão de memória, entrada USB, radio, wi-fi e cartão magnético, alimentado apenas por uma bateria 9v.

Utilizando a ferramenta Onshape, esculpi o modelo 3D do artefato imaginado. Como a proposta era focada na parte estética e estrutural do produto, esculpi sem me prender muito a critérios como produção de baixo custo, disposição interna de peças eletrônicas ou configuração de sistema.

001_edited.png
003_edited.png

Por conta da velocidade que realizei a parte externa, meu avaliador aumentou o desafio pedindo que eu fizesse a estrutura interna também, incluindo os encaixes, pinos e compartimentos.

Foi uma experiência muito interessante e divertida. Como nunca tinha utilizado a ferramenta Onshape, a sensação era de brincar com massinha ou blocos de construção. Acredito ter entregue um ótimo design e modelo.

APznzabLR6BDHcn6ZltwJga28TofTYke6Ik2ZHwRsZcnTUpYQFWFUSNJwnhjvwP2_HDt2DxapBDYCmMzHfBXFO3UlkkpTwHPq6KHaVE9xkAs4_gTWJINALjutzMlCcnNQEP0uOQolZ48t8arfE2jvJhgegdAYev-K3Ws-_q.png
APznzab92ZhtX31afKsWp5Y3KtgSQeKrTn1Y1JkQKtvkyA4-BHUcS5oFU6TqQM0NjKNLOpcpFtyQ7oxRiFSmT1u5uir0DIzezQkvP4Ct9Fz1ZdBLodED1W9KkO1U4u_bkYS7sxn3tjcRybDw8CXQYRas7hkzgGrTXqe.png
bottom of page